Search
home automation - search results
IoT and Home Automation, How Does It Work
Hey Google, turn on the lights! Almost, everything in our homes can be automated with IoT, from your garage door to your lights, your...
Home Automation With Alexa
For most of the time having a real conversion with a computer has seemed something that was really far away, until now. Alexa voice...
Voice Activated Home Automation System For Bedridden Patients
This project can make life easier for bedridden patients and older people as their voice command can trigger the control section that adjusts their...
Home Automation Designer At Valueline
Who we are?
We are a group of companies who started in 2002 with a vision of improving the lifestyle, health and wellness of our...
Home Automation – A User’s Perspective
Home broadband has become very affordable these days. Speed has gone up, the price has come down, thanks to technology upgrades by providers as...
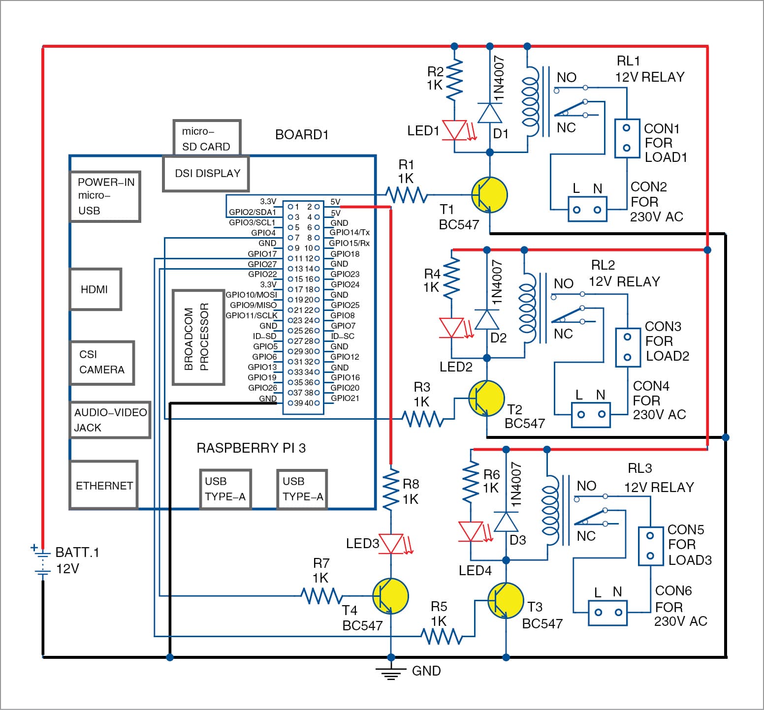
Home Automation And Security Using IoT Devices
Home sweet home—there’s nothing like it! Our homes can be made smarter using the Internet of Things (IoT)—a system in which computing devices are...
Multilingual Home Automation System Using Google Assistant And Raspberry Pi
One of the problems with a voice-controlled smart home automation system is the language barrier. Most of the existing home automation systems support only...
RPI Voice Recognition For Home Automation And IOT
Voice Recognition For Home Automation and IoT Having On Board RPi using AIY and it can recognize the voice . Now no need to...
Smart Touch Panel For Home Automation
Traditional switches are outdated now. These switches have mechanical moving parts that get damaged on continuous use.
Many old switchboards are getting replaced by modern...
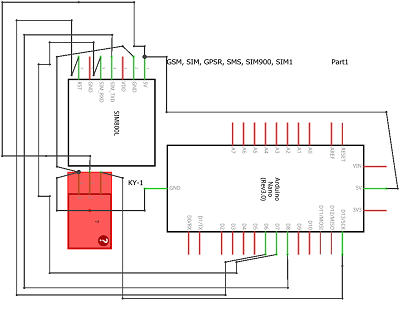
GSM-based Cellular IoT Home Automation
What if you are out of your home (and/or in another country) and suddenly realise that you have forgotten to turn off the geyser,...



