Phenomenal Electronic Design Software To Impress The Engineer In You
Xcos
Distributed along Scilab, Xcos is a tool used to model and simulate hybrid dynamic systems. The user can model discrete as well as continuous,...
Evolution In OS & Security Drives Computer-on-Modules
Computer-on-modules (CoMs), also known as system on modules (SoMs), enable the development of modular embedded systems. This interview looks at how these boards have...
How To Make A Wearable Fitness Tracker?
A personal fitness tracking device is a perfect way to help you understand your exercise and health habits so that so that you can stick...
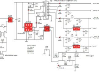
How To Make A Low-cost DVD Supply?
Different blocks in the DVD player system require different DC supply voltages to power them. For example, logic circuitry may require 5V, DSP, MCU...
New AD8233 Analog Front End AFE for Heart Monitor Devices
November 28, 2016 – Mouser Electronics, Inc., the industry's leading New Product Introduction (NPI) distributor with the widest selection of semiconductors and electronic components,...
New High-Resolution, Low-Power SAR ADC Ensures Shorter Test Times and Product...
Bangalore, 30th November 2016—Analog Devices, Inc. today announced a new generation of high-precision successive-approximation (SAR) analog-to-digital converters (ADCs) that uniquely combine the attributes of...
Vicor introduces seven new DCMs in a ChiP package
The DCM in a ChiP package is an isolated, regulated DC-DC converter, operating from an unregulated, wide range input to generate an isolated DC...
NI Announces High-Speed, High-Resolution, High-Voltage Oscilloscope
New oscilloscope delivers 100 Vpp maximum input range at 1 GS/s and 14 bits
Bangalore, November 30, 2016 – NI (Nasdaq: NATI), the provider of platform-based...
GPS Distance Meter
Presented here is a project based on Global Positioning System (GPS) and ATmega328P-PU microcontroller to measure the distance between two points using Haversine formula....
Video Tutorial: How Does Wireless Charging Work?
In this video, the author will show you the operational behaviour of a transformer and how we can create a crude wireless energy transfer...














