Analog-to-digital converters are virtually everywhere, where there is a need to convert an analog signal to digital. Since most real world signals are analog, ADCs are important electronic components which help us interface with the analog world around us. A DSP system requires an ADC if the input is analog. A telephone modem has an ADC to convert incoming audio to a digital signal which a computer can understand. The ADC converts the signals from analog to digital form and the resulting digital output can be sent to a display such as a LCD with the help of a microcontroller.
There are many different ADC Architectures suitable for different applications such as process control, temperature measurements, weighing scales, radar and more. A direct-conversion ADC or flash ADC samples the input using a bank of comparators in parallel. Another type of ADC is successive-approximation ADC, which uses a very special counter circuit known as a successive-approximation register (SAR). A sigma-delta (ΔΣ) ADC is the converter of choice for modern high-resolution precision measurements such as weighing scales.
If you want to get better at working with ADCs, here are some reference designs which discuss implementation of different types of ADCs for modern applications. Let’s get started:-
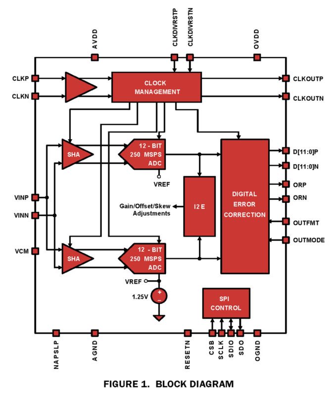
Ultra-high Sampling Rate 12-Bit ADC for Radar:

This reference design demonstrates how to attain a ultra-high sample rate (2.0 GSPS) and high dynamic range ADC by interleaving four low-power 12-bit, 500 MSPS analog-to-digital converters ISLA112P50 from Intersil. The design finds applications in high-performance data acquisition in radar, electronic/Signal Intelligence and broadband communications. The design is implemented using Intersil’s ADC technology and SP Devices interleaving algorithms. The solution provides a better SNR and SFDR than a stand-alone ADC. More on this Reference Design
Delta-sigma ADC With 4 MSPS Speed For T&M Equipment And Medical Imaging:
This design is an evaluation platform for a 24-bit high-speed, high-precision delta-sigma analog-to-digital converter (ADC) with up to 4 MSPS (mega samples per second) sampling rate. This is a complete PC based solution for the evaluation of the ADC ADS1675 using the ADCPro evaluation software. The design allows evaluation of all aspects of the ADS1675 device. The board offers a program for collecting, recording, and analyzing data from ADC evaluation boards. The software comes with built in analysis tools including scope, FFT and Histogram displays. More on this Reference Design
Simple Delta sigma ADC:
This is a reference design to implement a sigma-delta analog-to-digital converter in a Lattice CPLD or FPGA. This reference design converts an analog input signal into digital by utilizing a combination of internal and external components: analog comparator, low-pass RC network, sampling element, accumulator and digital low-pass-filter. In devices with LVDS I/O support, only an external RC network needs to be implemented externally, reducing parts count and cost. The design eliminates the need for expensive and dedicated ADCs, power-supply monitors and transducers. More on this Reference Design










We want to develop 24bit ADC
We’re ready to pay for it.
Please contact me as early as possible.