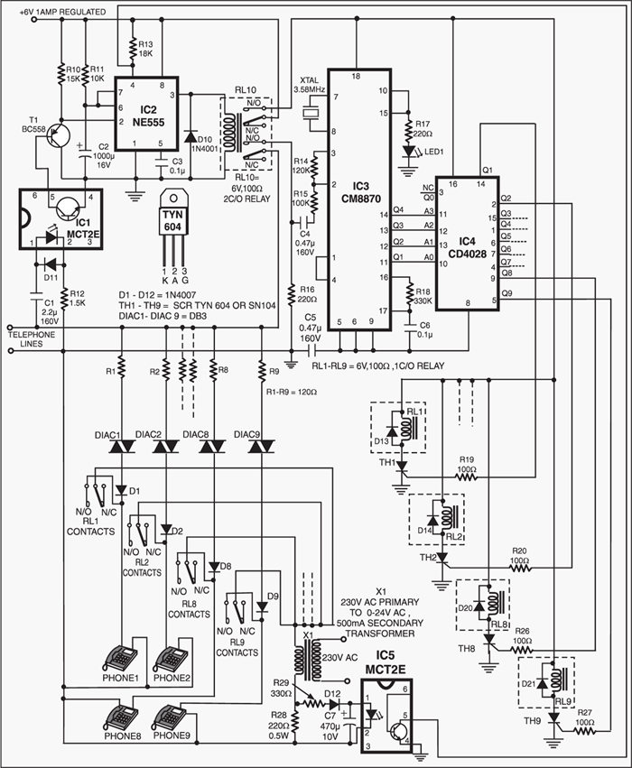
This 9-Line Telephone Sharer circuit is able to handle nine independent telephones (using a single telephone line pair) located at nine different locations, say, up to a distance of 100m from each other, for receiving and making outgoing calls, while maintaining conversation secrecy. This circuit is useful when a single telephone line is to be shared by more members residing in different rooms apartments.
Normally, if one connects nine phones in parallel, ring signals are heard in all the nine telephones (it is also possible that the phones will not work due to higher load), and out of nine persons eight will find that the call is not for them. Further, one can overhear others’ conversation, which is not desirable. To overcome these problems, the circuit given here proves beneficial, as the ring is heard only in the desired extension, say, extension number ‘1’
For making use of this facility, the calling subscriber is required to initially dial the normal phone number of the called subscriber. When the call is estabestablished, no ring-back tone is heard by the calling party. The calling subscriber has then to press the asterik (*) button on the telephone to activate the tone mode (if the phone normally works in dial mode) and dialextension number, say, ‘1’, within 10 seconds. (In case the calling subscriber fails to dial the required extension number within 10 seconds, the line will be disconnected automatically.) Also, if the dialed extension phone is not lifted within 10 seconds, the ring-back tone will cease.
The ring signal on the main phone line is detected by optocoupler MCT-2E (IC1), which in turn activates the 10-second ‘on timer’, formed by IC2 (555), and energises relay RL10 (6V, 100-ohm, 2 C/ O). One of the ‘N/O’ contacts of the relay has been used to connect +6V rail to the processing circuitry and the other has been used to provide 220-ohm loop resistance to deenergise the ringer relay in telephone exchange, to cut off the ring.
When the caller dials the extension number (say, ‘1’) in tone mode, tone receiver CM8870 (IC3) outputs code ‘0001’, which is fed to the 4-bit BCD-to-10 line decimal decoder IC4 (CD4028). The output of IC4 at its output pin 14 (Q1) goes high and switches on the SCR (TH-1) and associated relay RL1. Relay RL1, in turn, connects, via its N/O contacts, the 50Hz extension ring signal, derived from the 230V AC\mains, to the line of telephone ‘1’. This ring signal is available to telephone ‘1’ only, because half of the signal is blocked by diode D1 and DIAC1 (which do not conduct below 35 volts).
As soon as phone ‘1’ is lifted, the ring current increases and voltage drop across R28 (220-ohm, 1/2W resistor) increases and operates optocoupler IC5 (MCT-2E). This in turn resets timer IC2 causing:
(a) interruption of the power supply for processing circuitry as well as the ring signal relays RL1 through RL9, and
(b) removal of loop resistance R16, via the second contact of relay RL10.

As a result, the telephone line voltage shoots up to 48V, DIAC1 and diode D1 connected in series with phone 1 conduct within a few milliseconds, and phone 1 comes into operation. The telephone exchange does not interpret this as break-in off-hook condition, since some delay margin is set at the exchange.
When phone ‘1’ is busy, the other eight phones will not work, since line voltage will again drop to 10V and the other diacs will not conduct. Thus conversation secrecy will be maintained.
The other extensions also work in a similar manner when another extension number is dialed and its corresponding relay energises to extend the 50Hz ring to another extension.
The 24V, 50Hz ring signal derived from transformer X1 is sufficient for working with phones of Beetel and ITI make, but for Pretel and some other makes, it may be necessary to increase the ring voltage to about 30 volts or even higher.







