
This article explains and demonstrates batteryless and ultra-low-power energy harvesting systems designed to power wearables, IoT devices, and sensors using ambient energy instead of relying solely on conventional batteries.
Power remains the quiet obstacle slowing the global expansion of wearable and IoT devices. Despite rapid technological progress, these devices continue to depend on batteries that fail, leak, or require replacement, ultimately adding to e-waste within a few years. Thankfully, the idea of everyday devices such as TV remotes, fitness bands, smart switches, sensors, or even medical patches operating indefinitely without a battery is becoming increasingly feasible.
The principle itself is not new. Early wristwatches used kinetic energy to charge automatically, and crystal radios operated entirely without batteries. Modern energy-harvesting technology builds on these foundations, now capturing energy from multiple sources, including kinetic motion, vibrations, thermal gradients, and radio waves. This harvested energy can power or charge low-power devices, enabling them to operate for years without manual charging or even without a battery.
POC Video Tutorial
A previously published design demonstrates a batteryless energy-harvesting remote, available here:
The same energy-harvesting principle underpins a system that can power low-power devices without a battery, or operate in combination with a supercapacitor and a battery to extend operating life. The system harvests energy from multiple sources, including thermal, solar, vibrational, and radio waves, utilising almost any available ambient energy.
Two system designs are presented here, which are capable of powering devices either entirely without a battery or via a hybrid configuration that uses supercapacitor storage and battery backup for extended longevity. The systems intelligently combine harvested energy, supercapacitor storage, and battery support to supply power as available. The first design uses the DFM8001 IC module, and the second design uses the LTC3588 energy-harvesting IC. Each offers distinct functions, features, and applications.

Fig. 1 shows the energy-harvesting system PCB based on the DFM8001 and the LTC3588 system. Components required to build this system are listed in the Bill of Materials in Table 1.
| Table 1: Bill Of Materials | |||
| Name | Designator | Quantity | Man. Part |
| 10µF super capacitor | C1, C2, C3 | 1 | NA |
| 1µF super capacitor | C4, C5 | 2 | NA |
| HC-1.0-2PWT | CN1, CN2, CN3, CN4 | 4 | HC-1.0-2PWT |
| 3-pin header VGT | H1 | 1 | NA |
| HV0810-2R7105-R | SC1, SC2, SC3 | 3 | HV0810-2R7105-R |
| .DFM8001 | U1 | 1 | DFM8001 |
| LTC3588 module | U2 | 1 | LTC3588 |
| 5.5V 47µF super capacitor | C6, C7, C8, C9 | 1 | KR-5R5V474-R |
| Solar cell | PV1 | 1 | |
| Piezoelectric | PZ1, PZ2, PZ3 | 3 | |
| 3.3V battery | BAT1 | 1 | |
The two system designs explored here are:
- The DFM8001 energy-harvesting power system
- The LTC3588 energy-harvesting system
DFM8001 Energy Harvesting Power System
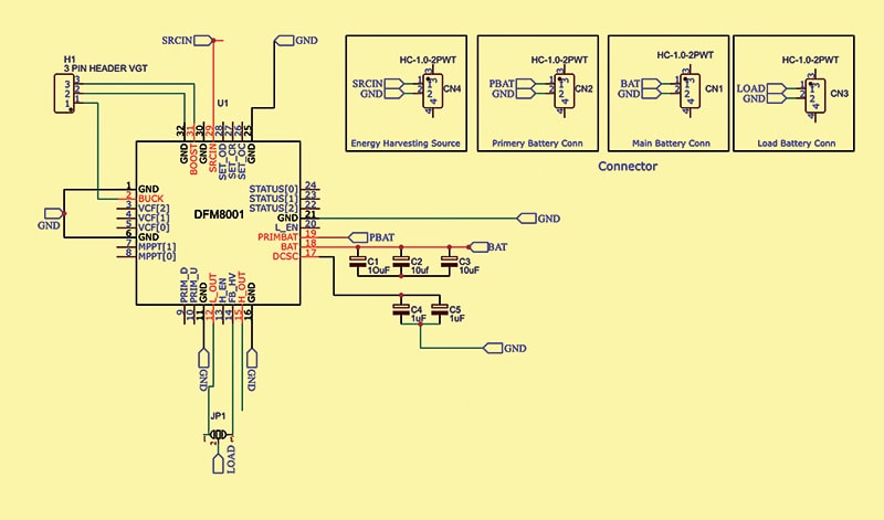
Fig. 2 shows the bare-minimum circuit of the module. The presented circuit diagram is a simplified version, with unnecessary chip components and functions removed and only essential ones retained. It is built around the DFM8001 IC, supercapacitors, and a few additional components.










