Shannon Fano Elias encoding algorithm is a precursor to arithmetic coding in which probabilities are used to determine code words. It is a lossless coding scheme used in digital communication. Probability theory has played an important role in electronics communication systems. It is because information in a signal is usually accompanied by noise. At the receiver end, when we talk about recovering the message signal, we are basically talking about estimating the original signal from the received signal accompanied by noise. In digital communication, we talk about decoding the receiving bits of a message with some probability of errors.
This article describes a simple construction procedure that uses cumulative distribution function (CDF) to generate code words using LabVIEW. The code word length of Shannon Fano Elias coding satisfies Kraft’s inequality. Therefore it is used to construct decodable code for the information source.
Shannon Fano Elias code procedure can be applied to a sequence of random variables. Probability and CDF can be calculated sequentially with symbols in a block or group of data, ensuring that the calculation grows linearly with block length. Direct application of Shannon Fano Elias code also needs arithmetic whose precision grows with block size.
Shannon Fano Elias Encoding algorithm
In digital communication, the source encoder converts input, that is, symbol sequence, into a binary sequence of 0s and 1s. Each source symbol is represented by some sequence of coded symbols called code words.
Shannon Fano Elias encoding algorithm procedure is given as follows:
Step 1
Arrange the symbols according to decreasing probabilities.
Step 2
Calculate cumulative probability.
σ1=0; σ2=p1+σ1; σ3=p2+σ2; etc…
Step 3
Calculate modified cumulative distribution function.
Fbar(x)=σi+p(xi)/2
Step 4
Find the length of the code word.
l(x)=[log1/p(x)]+1
Step 5
Generate the code word by finding the binary of Fbar(x) with respect to length l(x).
Example
Consider a source with five symbols with probabilities 0.3, 0.25, 0.2, 0.15 and 0.1 (see table).

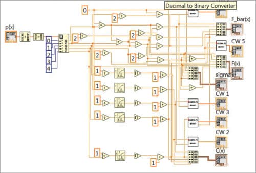
Implementation of Shannon Fano Elias algorithm in LabVIEW
LabVIEW programs or virtual instruments (VIs) have front panels and block diagrams.
Front panel (Fig. 1) is the user interface. Block diagram (Fig. 2) is the programming behind the user interface. After building the front panel, the code is added in the block diagram using graphical representations of functions to control front panel objects. Code on the block diagram is graphical code, also known as G code or block diagram code.


Implementation of Shannon Fano Elias algorithm in LabVIEW requires the following components:
Sort 1D array
This function returns a sorted version of the array with the elements arranged in ascending order. If the array is an array of clusters, the function sorts the elements by comparing the first elements. If the first elements match, the function compares the second and subsequent elements. The connector pane displays default data types for this polymorphic function.

Reverse 1D array
This function reverses the order of elements in the array, where the array can be of any type. The connector pane displays default data types for this polymorphic function.

Index array
This function returns the element or sub-array of n-dimension array at index. When you wire an array to this function, the function resizes automatically to display index inputs for each dimension in the array you wire to n-dimension array.

You can also add additional elements or sub-array terminals by resizing the function. The connector pane displays default data types for this polymorphic function.
Divide
If you wire two waveform values or two dynamic data type values to this function, error in and error out terminals appear on the function. The connector pane displays default data types for this polymorphic function.

Add
If you wire two waveform values or two dynamic data type values to this function, error in and error out terminals appear on the function. You cannot add two time-stamp values together. Dimensions of two matrices that you want to add must be the same.

Otherwise, this function returns an empty matrix. The connector pane displays default data types for this polymorphic function.
Logarithm base 2
If x is 0, log2(x) is negative infinity. If x is not complex and is less than 0, log2(x) is NaN. The connector pane displays default data types for this polymorphic function.

Round toward +infinity
For example, if input is 3.1, the result is 4. If input is -3.1, the result is -3. The connector pane displays default data types for this polymorphic function.

Build cluster array
This function bundles each element input into a cluster and assembles all element clusters into an array of clusters. The connector pane displays default data types for this polymorphic function.

Block diagram description

Step 1
Begin with the decimal fraction and multiply by 2. The whole number part of the result is the first binary digit to the right of the point.
Step 2
Disregard the whole number part of the previous result and multiply the rest again. The whole number part of this new result is the second binary digit to the right of the point.
Continue the process until you get 0 as the decimal part, or until you recognise an infinite repeating pattern.
Step 3
Disregard the whole number part of the previous result and multiply by 2 once again. The whole number part of the result is now the next binary digit to the right of the point. Continue the process according to the length.
Testing procedure
- Download and install LabVIEW.
- Click LabVIEW on desktop.
- Open Shannonfanoeliasfinal.vi
- Provide source symbols for x1, x2, etc, probabilities P1, P2, etc. While applying the input probability value, the sum will be equal to 1, since the total probability of symbol should be 1.
- Click Run. Generated code should satisfy prefix and instantaneous properties.
Note. Shannonfanoelias.vi is the main VI. We have binary converter.vi along with this main VI. While opening the main VI, if you face any error or question mark, double-click on the question mark. The error will be moved since it is linked with binary converter.vi.
K.M. Abubeker and Praseeda B. Nair are assistant professors in the department of ECE, Amal Jyothi College of Engineering, Kanjirapally, Kerala








