Design IoT Mesh Enabled Environment Monitoring Device
Environmental pollution has become a major problem in today’s world. Its increase is affecting our health badly, especially in urban and semi-urban areas where...
Design Your Own Low-Cost IoT Robot
There are many types of robots, from simple toy cars to advanced industrial robots. The Wi-Fi-controlled IoT robot described here uses NodeMCU and Blynk...
Mini Satellite To Create World’s First Free and Open Source IoT...
The cost for developing space satellites is generally not less than million dollars. And the entire system's enormous weight requires secure handling procedures, which...
Half And Full Wave Rectifier
Power conversion is vital in modern electronics because we regularly switch between AC and DC power. Main power sources normally supply AC power, whereas...
Communication and Internet Technology: Mobile IP with IPv6 (Part 6 of...
Read Part 5
Mobile IPv6 is a protocol developed as a sub-set of Internet Protocol version 6 (IPv6) to support mobile connections. It allows mobile...
Build Your Own Hi-Fi Stereo Audio Power Amplifier
Here is a simple hi-fi audio stereo power amplifier based on TDA2616 IC. This amplifier works on two 12V batteries or one ±12V AC/DC...
Transistors Developed To Process And Store Computer Data
Processing and storing of information by semiconductor chips at the same time can lead to the creation of memory devices that are even more...
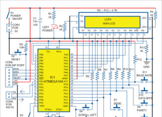
Build A Serial Data Debugger
A Serial Data debugger is a tool used to test and debug other programs or target programs. This project is based on Atmega16A microcontroller...
New Technology That Aims To Print Electrodes Of Li-Ion Battery
Li-Ion batteries have come a long way in powering portable electronics devices. From having unstable and highly explosive electrodes to more stable and less...
Best Flight Controllers To Help Design Your Own Drones
Drones can be made powerful, faster and affordable by choosing the best flight controllers that enhance the ESCs (Electronic Speed Controllers) and the various...














