VAPCare: Medical Electronics To Improve ICUs
High-quality medical services are critical all over the world. India’s medical communities are working hard to bring the best infrastructure and most upgraded setups...
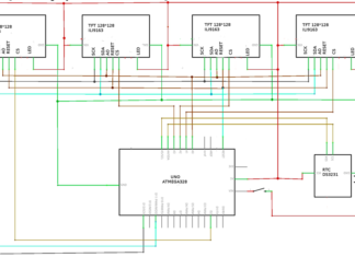
12-Multi National Digital Clock on Arduino UNO
The presence of 12 Multi-National Digital clock is very common at the lobby / front desk of star hotels, showing time & dates of...
How to Assess Electromagnetic Radiation from Mobile Phone Towers
Electromagnetic radiation from mobile phone towers is a subject of utmost importance and requires a deep understanding of assessment methods of electromagnetic radiation from...
MIPI Alliance Managing Director Peter Lefkin Delivering Keynote at Upcoming 2018...
One-day conference in Bengaluru focuses on case studies in the fields of verification IP, physical design and design for testing solutions.
Bengaluru, India, September 16,...
Working of a MOSFET
Metal-Oxide Semiconductor Field-Effect Transistors (MOSFETs) are responsible for the electronic revolution that happens all around us. MOSFET is an electrically driven switch, which allows...
Sensors That Add Strength to Aviation and Aerospace
Aviation is witnessing fast growth in global markets. Whether it is civil or military aviation, modern aircraft are equipped with electronics systems.
Accurate feedback systems...
Programmable Automatic Bell System
All schools and colleges follow a timetable for their classes, providing different time slots for different subjects. In order to follow the planned timetable,...
Auto Power Switching Mains, Solar Inverter, or Generator
This project is based on the AEIOU heuristic framework of Design Engineering Approach.
Design for Performance, Safety and Reliability is ensured in terms of switching...
Optronic Sensors Night Vision Technologies (Part 3 of 6)
Read part 2
Night vision technology has undergone considerable changes in the last 40 years. These changes have led to enormous improvements in performance standards...
BLUE_P: Wireless Arduino Programming Shield
Many times we make projects using Arduino, while working with it we need to connect it with PC to upload program using USB cable....















