Smart Motion Sensors for Better Accuracy, Longer Battery Life, and Faster...
STMicroelectronics Peps Up Booming Social-Fitness Scene with Smart Motion Sensors for Better Accuracy, Longer Battery Life, and Faster Time to Market
ST smart MEMS...
Smart Solar Charger
Solar powered lighting systems are now used in rural as well as urban areas. These systems include solar lanterns, solar home lighting systems, solar...
Time-Lapse Photography With Raspberry Pi 3
This project aims at developing a simple time-lapse photography device with Raspberry Pi 3 and Pi camera.
To get the most out of nature without...
Converting the Stereo Audio Distribution Buffer into Stereo Audio Distribution Amplifier
The stereo audio distribution buffer published on page 94 of the July 2013 Edition of EFY can be converted easily into stereo audio distribution...
Dual Universal Hardware Driver for Embedded Systems
Introduction
The embedded systems should drive different peripheral devices requiring significant electrical power.
A typical case is the DC motors, operating from 6V, 12V and 24V.
These...
Electromagnetic Compatibility: Grounding (Part 3 of 5)
In the previous parts we covered multi-layer PCB designing. Now, let us look at grounding or earthing.
Grounding can be defined as a connection, whether...
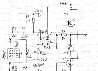
Low Cost High Impedance Buffers for Oscilloscopes and Voltmeters
Most of the low cost digital oscilloscopes and voltmeters have input resistance around 1 MOhm and input capacitance around 100pF. But in many case...
Video Tutorial: Basics Of Soldering
In this video, the author is going to give you a brief overview on "How to solder?" i.e. basics of soldering. He also guides...
Two-Watt TBA820M AF Amplifier
Here is a simple AF amplifier project based on TBA820M IC. This amplifier can deliver two-watt output power with 8-ohm speaker using a 12V...
Machine To Machine Communication, IOT And Wireless – Solutions For Fast...
This video is based on a conference talk by Naren Sankar, Director for Channel Sales, Broadcom Corporation that happened on the 13th of January...















