How Architecture Is Becoming Intelligent
In her book The Fountainhead, Ayn Rand portrays the protagonist, Howard Roark, as an individualistic young architect who chooses to struggle in unimportance rather...
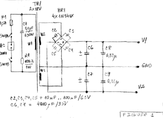
Bipolar Power Supply with LM317T and with LM337T Controllable with Stereo...
LM317T and LM337T are well known and low cost adjustable voltage regulators with current limiting up to around 1.5A and power dissipation up to...
Disable Your Webcam, Protect Your Privacy
Webcams are extremely useful. These help you keep in touch with friends and family all around the world. Webcams are almost always attached to...
Wireless-Powered LED
Wireless power is transferred from transmitter to receiver coil using inductive coupling principle. For wireless power transfer to work efficiently, frequency of the transmitter...
An Introduction To EDA Tools (Part 1 of 2)
Electronic design automation (EDA) is a software tool used for designing electronic systems. Electronic circuits can be designed and synthesised on a computer using...
2G vs 3G : What Should You Know | Basics of...
The G in 2G, 3G and the others stand for the generation which has come up a long way since their establishment. We are...
Simple Audio Power Amplifier With NE5534/А And Darlington Transistors With Up...
These days there a lot of audio power amplifiers in integrated circuits (ICs). But it is still interesting to produce audio power amplifiers with...
Integrated Accelerometer/Gyro Combo Series from Analog Devices Helps Improve Reliability and...
Bangalore, 27th December 2016.—Analog Devices, Inc. today introduced the fully integrated ADXC150x series of inertial combo sensors that brings together best-in-class reliability and accuracy...
Simple Low-Noise Audio Distribution Amplifier
This article describes a low-cost low noise audio distribution amplifier based on hybrid or mixed technology. Input to the amplifier is from low-noise, high-gain npn...
Standardisation for the IoT Ecosystem: An Enabler? Or a roadblock?
Innovation is proliferating like anything today. The IoT has brought in the innovation to a very different level where everybody is trying to define...














