The Rise Of Advanced Pick-And-Place Technology In Modern Manufacturing
From the integration of cutting-edge AI and IoT to innovations in miniaturisation and vision systems, delve into the future where these machines streamline production...
Field Application Engineer At Agua Wireless Systems In Mumbai
The Job is closed. Check the latest active jobs here
Location: Mumbai
Company: Aqua Wireless Systems
Position- Field Application Engineer
CTC: 4.5-8 LPA
Minimum Experience: 1 year
Company Description
Agua Wireless...
Analog Layout Design Engineer At ARF Design In Bhubaneswar
The Job is closed. Check the latest active jobs here
Job Location: Bhubaneswar
About ARF Design
Founded in 2008, ARF Design (www.arf-design.com) is an IC layout...
Field Application Engineer At Allegro MicroSystems In Pune
The Job is closed. Check the latest active jobs here
Location: Pune
Company: Allegro MicroSystems
About the Job
The Allegro team is passionate about providing intelligent solutions that...
Environment Recognition Tech Speeds Up Off-Road Self-Driving
These advancements are anticipated in construction machinery, agricultural machines, and military unmanned ground vehicles.
Technologies for recognising off-road environments that detect substances like dust, mud,...
Light-Based Computing Enhances Future Smart Cameras
The research makes significant advancements in AI and visual computing and also introduces practical applications, such as enhanced smartphone camera capabilities.
Researchers are advancing optical...
Reliable High-Performance Resistors
The resistors enhance reliability and performance without high costs, suitable for automotive, medical, and aerospace applications, and fully compliant with stringent standards.
A wide range...
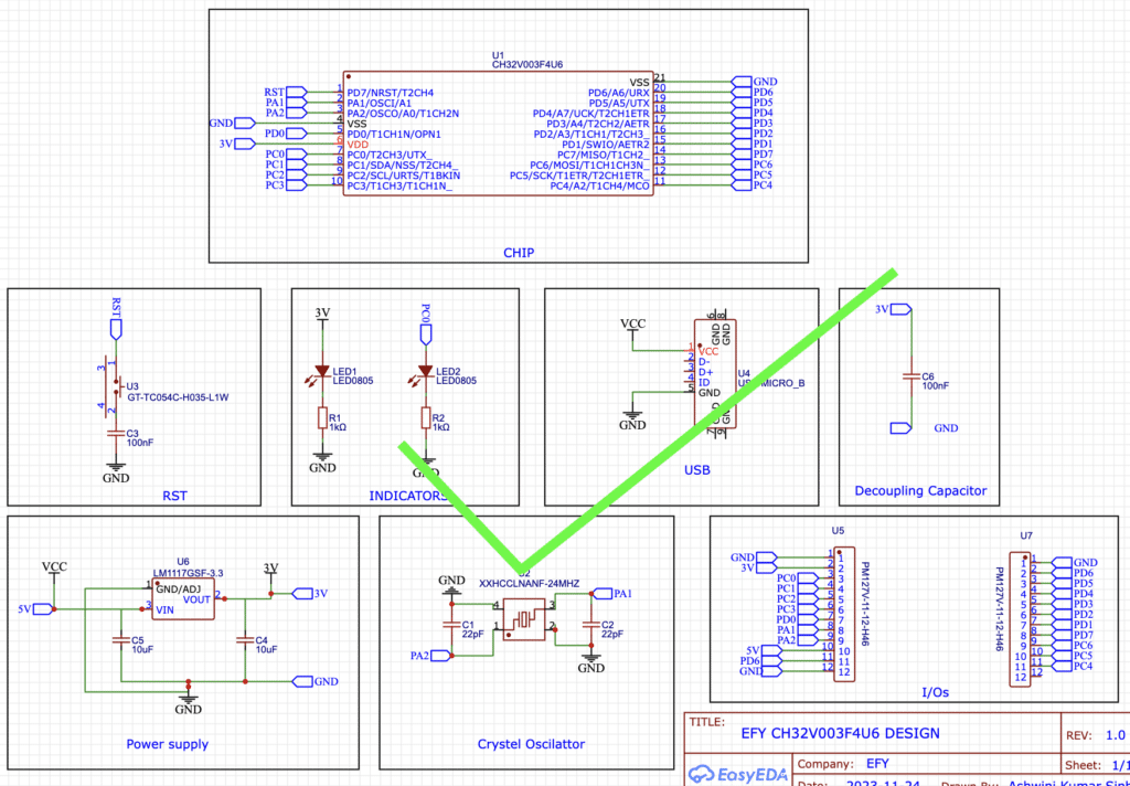
NETS For Electronics Design: Migrating from Amateur to Professional Designer
Nets are transforming electronics design! From messy wire connections to organised circuits, learn why professionals are making the switch.
Schematic circuit design is a key...
Hardware Design Engineer At Matrix Comsec In Vadodara
The Job is closed. Check the latest active jobs here
Location: Vadodara
Company: Matrix Cosmec
About The Job
We aspire to be world-leader in innovative telecom and security...
Wireless HW Design Engineer (ASIC) -Sr Lead At Qualcomm In Bengaluru
This Job is closed but you can check more such jobs here.
Location: Qualcomm
Company: Bengaluru
BDC WRD (Wi-Fi) is responsible for developing Qualcomm’s Wi-Fi chips. We...













