
Air pollution is a critical concern in modern living environments, particularly in enclosed spaces such as homes, offices, factories, and laboratories, where prolonged exposure to harmful gases presents serious health risks. Continuous air quality monitoring is therefore essential to maintain safe and healthy indoor conditions. Here we detail the design and implementation of a compact, low-cost, smart air-quality monitoring system based on the Arduino Nano platform.
POC Video Tutorial
The system employs an MQ135 gas sensor to detect harmful gases in ambient air continuously. Based on predefined threshold levels, air quality is categorised as good, poor, very poor, or toxic and displayed on a 16×2 LCD with an I²C interface. An audible alert is generated by a buzzer connected to a digital output pin, which activates when the air quality exceeds safe limits.
Although a standardised air quality index (AQI) is not computed, the system effectively indicates pollution levels and provides real-time alerts. Fig. 1 shows the system prototype, and the Bill of Materials table lists the required components.

| Bill Of Materials | |
| Compnents | Quantity |
| Arduino Nano (MOD1) | 1 |
| 16×2 LCD I2C (MOD2) | 1 |
| MQ135 (S1) | 1 |
| Buzzer (B1) | 1 |
| USB cable | 1 |
| Jumper wires | 40 |
| Breadboard | 1 |
| 9V battery (optional) | 1 |
Circuit and working
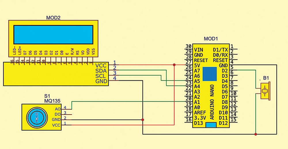
The circuit diagram of the Arduino Nano–based air quality monitoring system is shown in Fig. 2. The system is built around an Arduino Nano (MOD1), an MQ135 gas sensor module (S1), a 16×2 LCD with an I²C interface (MOD2), a buzzer, and a small number of additional components.

The system can be powered either through the 5V Vin pin or via a USB cable. Both the MQ135 sensor and the LCD are powered by the Arduino Nano’s 5V regulated output. The LCD connects to the Arduino Nano’s I²C pins, while the gas sensor connects to the analogue pin A1. The buzzer is connected to digital pin D2.








