COVID-19 is a highly infectious and easily contractable virus that can become extremely hard to control once it begins to spread. Social isolation/distancing is one of the most important and effective steps one can take to break the chain and to keep healthy people from getting infected. If an infected person comes into contact with a healthy person then that person gets infected too and when both people come in contact with a third or fourth person, they also get infected, and in this way, the chain continues and this dangerous disease starts to spread throughout the whole country, resulting in the death of a large number of people. Because of these reasons, it becomes important for people to distance themselves from others as much as possible so that they do not contract the virus, or spread it if they’re already infected. To help with this, today we’re making a device(COVID-19 Fencing System) that will alert healthy people when they go near areas that have been infected by the virus. For this, we use the GPS module to create a GEOFence between the infected area and the healthy area. We will also use a GSM Module that informs the person and the authorities if anybody violates the law and tries to enter an infected area or if any infected person tries to enter a healthy area. Later, we will also create a traceability system using GEO location that can trace the chain of the spread to lock down infected areas.
So let’s start our project with shopping for the following components.
Bill Of Materials

Coding
First, we need to open Arduino IDE and install the Required library (FONA, SSD1306, and NEOGPS) and then we can begin with the coding.
Since we have initialised the library in code, we can now set the pin definitions for serial communication with SIM800l Module. Next, we have the setup function which consists of the code that starts the communication with SIM800l module, NEO GPS Module and with SSD10306 as well. After this, we need to create the code where we set the locations for home and for infected areas where the effect of the virus is very high. Next, we have created a ‘while’ loop that checks the location of the person in real-time and, using the ‘if’ condition, we will check if the user has entered within a 100-metre radius of an infected area or person. If so, the device will alert the user of the same. Next, we have a piece of code that live updates information on OLED display. The next piece of code will let us know if the user has left their home at a time when there was a government-imposed lockdown, and if that is the case, a text message will be sent to the authorities. (Refer Fig 2,3,4).





We have also created another, non-test, code which helps to alert the user whenever there is a government-imposed lockdown so that in case the user is outside they can quickly change their position.
You can download the code from the link below and then upload the code to Arduino.
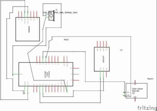
Connection
Now connect the components as shown in the circuit diagram below

What Next?
We can also develop this further to trace the chain of the virus using geo contact detection and with database sampling.
Testing
Insert a 2G SIM Card in SIM800l Module and wait for a few minutes. When the SIM800l searches the network, the LED will blink faster and when it connects to the sim network the LED blink will slow down. Now, when you try to enter an infected area, the GPS module will alert you and will send a message to the set number regarding your contact with the infected area.
Congrats, COVID-19 Fencing System & Contact Traceability Device is ready to protect you.












how can we detect anyone within 6 feet radius.
how can we detect anyone who come near to particular person less than 6 feet to his radius.
This project is to isolate you 1km away from the hotspot (COVID-19 )infected area.
can we automatically update location without changing code every time
for this project which software we have to use for simulation purposes