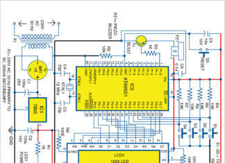
Fastest Finger First For Four Players
Fastest finger first technique is used in quiz shows (with rapid fire rounds) to find the order in which participants press the buzzer (to...
Smart Robots Working Collaboratively With Humans
Scientists all over the world are developing intelligent robots that can observe and learn from experience and human behaviour. The robots can then collaborate...
Smart Irrigation System
This project is based on the AEIOU heuristic framework of Design Engineering Approach.
Design for Performance, Safety and Reliability is ensured in terms of segregation...
Need Of Indian Broadband And Where The Future Lies
Just a couple of years ago when reliance Jio debuted into Indian telecom scenario with LTE offerings, things went into surprises for the end...
How To Turn Arduino Into An Ohm Meter?
In this video, the presenter will show you how to use an Arduino Uno development board into an ohmmeter/voltmeter. This is a very useful...
How To: Constructing A Power Outlet Box Using Arduino
In this video, the presenter will show you how to control any 120V appliance with your Arduino. After making this power outlet box, you...
INDIA’s Own GPS Soon Will Be Reality With the...
The Indian semiconductor distribution company, Ramakrishna Electro Component Pvt Ltd Group (REC) has launched VTS (Vehicle Tracking System), under UTRAQ brand, which is one...
New Wireless Technologies to Help Meet Aviation Demands
This article discusses some key recent developments in the area of wireless networking in the aviation industry.
New techniques and technologies in wireless communication are...
Small Variable Lab Power Supply for Young Experimenters
Lab power supply is the first thing needed by anyone who is extremely passionate about his electronics based experimental work. There are millions of...
NOOBS 2.8.1: Raspberry Pi Setup Made Easy
Raspberry Pi is a single-board computer popular among do-it-yourself (DIY) experts. Be it for electronics-based projects or for home use, Raspberry Pi finds a...














