Presented here is a three colour display that uses bi-colour LEDs for display. The circuit is built around two IC CD4017, some transistors & a lot of LEDs.
Three Colour Display Using Bicolour LEDs
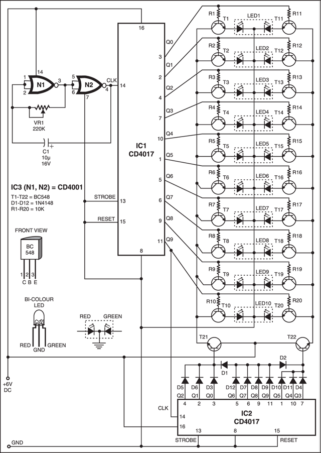
Transistors T1 through T20 form a grid to which common-cathode bicolour LEDs (LED1 through LED10) are connected. Transistors T1 through T10 have their collector terminals connected to the emitter of transistor T21. Similarly, transistors T11 through T20 have their collector terminals connected to the emitter of transistor T22. The bases of each pair of transistors (i.e. T1 and T11, T2 and T12,…, T10 and T20) are tied to outputs Q0, Q1,…, Q9, respectively, of IC1 (CD4017) through 10-kiloohm resistors as shown in the figure. Positive supply to collectors of transistors T1 through T10 is controlled by transistor T21. Similarly, positive supply to collectors of transistors T11 through T20 is controlled by transistor T22.

IC1 and IC2 are decade counters. Clock pulse to IC1 is provided by the oscillator circuit comprising NOR gates N1 and N2. The outputs of IC1 advance sequentially with each clock. (Any other source of square wave pulses also serves the purpose.) IC2 is used to select the mode of display. Clock input pin 14 of IC2 is connected to Q9 output of IC1. Thus IC2 receives one pulse after every ten pulses received by IC1.
When the circuit is switched on, Q0 output of IC2 is active high. Thus transistor T21 gets forward biased via diode D3 and it conducts to extend positive supply to transistors T1 through T10. Transistors T1 through T10 are forward biased sequentially by Q0 through Q9 outputs of IC1, i.e. at a time only one of these ten transistors is forward biased (on). Thus only red LED parts of bicolour LEDs light up sequentially. (Transistor T22 is not conducting at this moment.)
Circuit operation
When red LED part of LED10 glows,IC2 receives a clock pulse and its Q1 output goes high. Transistor T21 still conducts, as it is forward biased through diode D6, and next again via diode D5. Thus red LEDs complete two more glowing sequences.
After completion of the third glowing sequence of red LEDs, when Q3 output of IC2 goes high, transistor T21 stops conducting and T22 starts conducting with the next three sequences of green LEDs of bicolour LEDs (LED1 through LED10) glowing sequentially.
After completion of three sequences of green LEDs, output Q6 of IC2 goes high. Now both transistors T21 and T22 conduct due to diodes D1 and D2. Thus both red and green LEDs in bicolour LEDs (LED1 through LED10) glow sequentially. The effect of red and green LEDs glowing together is a distinct yellowish orange colour. This sequence repeats four times.
Thereafter, the whole sequence repeats, starting with red LEDs. Thus the bi-colour LED display shows three colours—red, green, and yellowish green—one after the other. The speed of display can be controlled by preset VR1. One can omit automatic selection of different colours by omitting IC2 and replacing connections to pins 3,5, and 7 of IC2 with SPDT switches. (Thus diodes D3-D12 are also omitted.)
The article was first published in February 2005 and has recently been updated.









