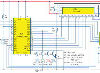
Gesture Controlled Wheelchair Using ATmega32
Wheelchairs are useful for people for whom walking is difficult or impossible due to some illness, injury or disability. There are different types of...
IR Remote-Controlled RGB Bulb
Infrared (IR) remote-controlled RGB bulbs available in the market are extremely expensive. Here is a simple, easy-to-build and inexpensive circuit built using Arduino Uno...
AI And Robotics: Hype Or Reality?
Artificial intelligence (AI) is coming to a point where action, not talk, is needed. While there are fears and inflated expectations of what AI...
Arduino’s Foray Into Industrial Automation And Robotics
The latest release by Arduino, that has a dual-core processor, low supply voltage, powerful graphics and connectivity, assures wide-ranging applicability in the field of...
Thin Films That Are A Viable Alternative To Silicon-Based Semiconductors
These thin films come with the benefits of better light reception and electrical conductivity, besides being environment-friendly.
Traditionally, semiconductors made from silicon have been used...
“Software Tools Are Quite Sophisticated, But They Assume A Lot Of...
High-speed PCB circuits have wide-ranging applications from medical equipment to network communication. Amit Bhardwaj, group chairman and managing director, Polar Instruments Asia-Pacific, and Sanket...
Mini Fridge With Peltier Modules
It was in the middle of 1821 when J.T. Seebeck discovered that if two dissimilar metals connected at two different points are held at...
Decode An IR Remote For Home Automation
This article describes how to decode a remote controller and use it for home automation, along with Arduino. An infrared (IR) remote controller used...
Portable Digital Weighing Machine Upto 100kg
You must have seen a digital weighing machine in numerous shops, but have you ever wondered how it works and how it can be...
Smart Digital Calendar That Tells You Live News From EFY
We all must have used a photo frame in our houses, but have you ever wondered that you can make a smart digital photo...















