The Importance Of AI And IT In Modern Healthcare
This article covers the importance of AI in healthcare, examples of AI in healthcare, the Indian healthcare industry, telemedicine, digital healthcare and related information...
Turn Your Phone Into IR Contactless Thermometer
Since the outbreak of COVID-19, it has become essential to regularly monitor the human body temperature without coming into contact with the measuring device...
60 Watt Industrial/Railway High Performance DC-DC Converter
TRACO POWER's new converter has an ultra-wide 4:1 input range
All models are certified industrial & railway applications
TRACO POWER has released a...
RF Transceiver for Mission-Critical Communications Applications
Analog Devices' new product offering comes with high dynamic range and incorporates digital signal radio correction algorithms
The award winning device can correctly...
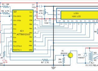
Make Your Own Password Locker
A password locker usually has an electromagnetic lock that opens only when the correct password is entered. The circuit presented here for such a...
Putting Electronics Of Brain Waves To Use
Understanding brain waves coupling with electronic components is crucial not only to collect information about brain signaling but also to diagnose and treat neurological...
New Technology for Extended Battery Life and Increased Upload Speed
A new memory device developed by USC Viterbi School of Engineering promises reduced data corruption and has ability to retain data even after...
The Role Of Engineering Simulation In Predicting Uncertainty Of Electronics Devices...
We often take electronics devices for granted. Be it while dropping your mobile phone from your bedside table, or a sudden jerk while driving...
Speech Synthesis IC Series For Improved ADAS Alerts
LAPIS Semiconductor, a subsidiary of ROHM aims to provide enhanced sound effects for issuing alerts while driving autonomous vehicles
This is beneficial for...
The Parameters To Evaluate Autonomous Vehicles
An autonomous vehicle (AV) relies on devices and components that exchange, share and interpret data. Interoperability of these devices and components ensures that these...














