Design Code Separately and Integrate It Seamlessly with Dual-Core dsPIC Digital...
There are various applications where the developers need to design a highly complex embedded system. In complex applications requiring sophisticated algorithms, frequently one team...
KiCad: An Electronics Schematic Design and Layout Creation Suite
Electronics design engineers require a number of software to create and verify their designs digitally, before moving to production. KiCad brings all these tools...
IoT Home with Hindi Voice Commands using Google Assistant & ESP32...
In this project, we will be connecting and controlling our ES32 Wi-Fi based module from our mobile phone’s Google Assistant Application. The charisma here...
What Is the Difference Between LabVIEW and MATLAB?
LabVIEW, or Laboratory Virtual Instrument Engineering Workbench, is a system design platform and development environment for graphical language programming. It is a visual programming...
What Is a Mobile Signal Booster?
A mobile signal booster amplifies a mobile phone signal sent to and from the phone to the nearby tower. A mobile signal booster is...
“India well-positioned for value added manufacturing and solutions”
As part of our series titled 'Global Trade Opportunities' where we feature international firms that are looking forward to do business in India, Anurag...
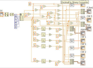
Implementation of Shannon Fano Elias Encoding Algorithm using LabVIEW
Shannon Fano Elias encoding algorithm is a precursor to arithmetic coding in which probabilities are used to determine code words. It is a lossless...
Optronic Sensors for Imaging (Part 2 of 6)
Imaging sensors are an important component of a wide range of defence systems and are projected to play a growing role in the coming...
Smallest IoT Home Automation using ESP8266 – 01 with Videos (Hindi...
In this project, we will be using the ESP8266 – 01 Wi-Fi Development board to make a small IoT home automation that has Wi-Fi...
Graphical Data Display with Arduino and HTML5
Most Arduino-based projects use LCDs to show data, but this project instead uses webpage so that more details can be displayed in a graphical...
















