Next-Generation Multizone Time-Of-Flight Sensor From STMicroelectronics Boosts Ranging Performance & Power...
STMicroelectronics’ VL53L8CX, the latest-generation 8×8 multizone time-of-flight (ToF) ranging sensor, delivers a range of improvements including greater ambient-light immunity, lower power consumption, and enhanced...
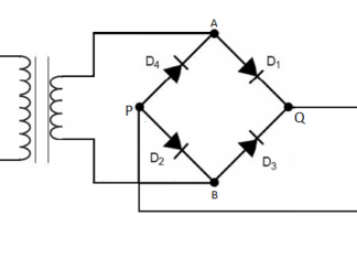
Bridge Rectifier Circuit, Construction, Working, and Types
A Rectifier is an electronic circuit that converts an input AC voltage into a DC voltage at the output terminal. This output is known...
Service Monitoring Engineer At Ericsson In Noida
The Job is closed. Check the latest active jobs here.
About This Opportunity
The Engineer will be a part of 2nd Level assurance, Field Operations & Maintenance,...
Embedded Hardware Engineer At Rajguru Electronics India Pvt Ltd. In Mumbai
The Job is closed. Check the latest active jobs here
Share your resume at [email protected]
Location: Mumbai
Company: Rajguru Electronics India Pvt Ltd.
We are looking for an...
Technical Support Engineer At Rajguru Electronics India Pvt Ltd. In Mumbai
The Job is closed. Check the latest active jobs here
Share your resume at [email protected]
Location: Mumbai
Company: Rajguru Electronics India Pvt Ltd.
Technical Support Engineer - Rajguru...
Photorelay For Improved Semiconductor Testing
The photorelay improves semiconductor testing with performance, design, and versatility in high-speed applications.
Toshiba Electronics Europe GmbH has introduced a new photorelay, the TLP3475W, designed...
5kW Low Voltage Electric Traction Inverter Reference Design Kit
Discover how ST Microelectronics' reference design shapes the future of cleaner and more efficient transportation with its cutting-edge technology, precision control, and robust power...
200 kW Three-Phase Inverter Reference Design
The 200kW three-phase inverter reference design improves power density and efficiency, using a platform for SiC MOSFETs suitable for multiple applications.
A 200 kW three-phase...
Scientists Create Monolayer Transistors Using Unconventional 2D Semiconductors
This advancement paves the way for thinner and more efficient electronic devices, including wearables, signalling a new technological era.
In a development, scientists from Hunan...
Touchscreen Tech That Lets You Feel Images
The Future of Touch with IIT Madras' iTad, a Touchscreen Technology Allowing Users to Feel Textures in Images.
Researchers at the Indian Institute of Technology...












