R&D Engineer-PCB Layout At ABB
The Job is closed. Check the latest active jobs here
Location: Hyderabad
Company: ABB
Take your next career step at ABB with a global team that is...
Associate Engineer, Scribe Design At Micron Technology
The Job is closed. Check the latest active jobs here.
Location: Hyderabad
Company: Micron Technology
We are looking for energetic, ambitious, and result-driven individual with strong work ethic...
Transistor That Accurately Identifies Cancer Cell Markers
Researchers have developed a minimally invasive system based on ion-sensitive field effect transistors that can assess cancer-related markers using breast cancer cell lines
Traditional methods...
Fast-Starting High-Side Switch With Diagnostics Feature
IPS1025HF is a high-side power switch that can enable electrical loads to instantly turn ON and OFF by connecting it to a single side...
A Humanoid Robot Helps Users With Remote Interaction And Navigation
Researchers have developed a telepresence system based on a humanoid robot that allows users to virtually navigate remote environments and interact with people in...
Self-Healing Composites Increases Lifespan Of Structural Components
Researchers have invented a new self-healing fiber-reinforced composite that allows structures of wind-turbine blades, aircraft wings, etc. to repair themselves without having to be...
Reference Design For A Solar Powered Street Light
Reference design for a solar charger controller with Maximum Power Point Tracking (MPPT) functionality that can charge a 12V battery pack and drive up...
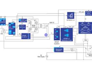
Reference Design of Sine Wave Inverter
Reference design of a 50Hz/60Hz pure sine wave inverter that can be used as a general inverter at residential or commercial application.
Are you planning...
Compact 130W AC/DC Power Supply
Recom's 130W AC/DC power supply comes in a small package measuring just 2”x4”. The sturdy power supply can work in harsh conditions and is...
Newly Designed Triboelectric Nanogenerators Provides High Efficiency
Researchers have developed triboelectric nanogenerators with a constant inherent capacitance that could increase their energy conversion efficiency and electric storage capacity
Traditional triboelectric nanogenerators implement...













