How Is A Speaker Constructed? How Does It Produce Sound?
A loudspeaker (or loud-speaker or speaker) is an electroacoustic transducer which converts an electrical audio signal into a corresponding sound.
A loudspeaker consists of paper...
The Golden Rules of Electronic Circuit Design
Knowledge of common pitfalls in electronics circuit design, and how to avoid these, is important for producing any product
While testing a smartphone, the manufacturer...
How to Check Dead Mobile with Multimeter | Video Tutorial in...
This video tutorial in Hindi shows how to check dead mobile with a multimeter for check shorting on the mobile phone.
Courtesy: TechDrive
Stretchable Ultrasound Transducer Patch for 3-D Imaging on Complex Surfaces
University of California researchers have come up with a stretchable, flexible patch that could make it easier to perform ultrasound imaging on odd-shaped structures,...
How Smart Can Your City Get
Cities are becoming smart all over the world, including India, by using technology in various ways. Some define a smart city as a city...
Sunlight Fluctuations Will Now Harvest Electricity
Researchers from Linköping University at the Laboratory of Organic Electronics have developed a method and a material that generate an electrical impulse when the...
Computer chips gets introduced to photonic communication
MIT based Ayar Labs has come up with the photonic communication technology where optoelectronic chips will increase computing speed and decrease energy consumption. Data...
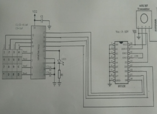
Increase the Number Of Appliances Control In RF Based Circuit
In this project, we look to solve the problem of the number of appliances being operated using a microcontroller. Generally, this number is restricted...
Review: Wi-Fi Smart Switch
In this video, the presenter will be reviewing Etekcity Wi-Fi controlled smart home outlet. This smart switch is compatible with Alexa and Google Home.
Courtesy: MKme Lab
Wind Power: The Global Impact
“Of all the forces of nature, I should think the wind contains the largest amount of motive power—that is, power to move things. Take...














