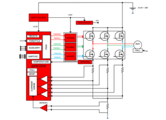
Reference Design for High Performance Power Tools
Reference design for high-performance brushless DC (BLDC) and PMSM motors, the small size and high power delivery of this motor controller make it suitable...
High-Precision Dual-Band GNSS Timing Module
The new receiver from U-Blox can provide the security and performance benefits of dual-band technology and offer nanosecond-level timing accuracy.
Image of NEO-F10T (Source: u-Blox)
The...
NORA-W3 Module Simplifies System Integration For Designers
U-blox has introduced the compact dual-band WiFi and Bluetooth LE based NORA-W3 module series for back-end connectivity of devices.
System integration becomes intricate with an...
Artificial Neurons Facilitate Communication Between Biology And Electronics.
Scientists have developed the first bio-realistic artificial neuron that could efficiently communicate with their "real" biological counterparts
Artificial neurons must take into account both their...
Things To Keep In Mind When Selecting An Oscilloscope
An oscilloscope is an indispensable tool for testing and analysis in a wide range of fields and applications. It is an essential instrument for...
Real Time Handheld ECG Display
An electrocardiogram (ECG) acts as the health indicator of our heart and with the help of electrodes, placed either on the chest or at...
Embedded Developer At Meslova Systems
The Job is closed. Check the latest active jobs here
Location: Hyderabad
Company: Meslova Systems
The Role
Job Description
We are looking for professional Embedded Developers with minimum two...
Technical Support Engineer At NetApp
The Job is closed. Check the latest active jobs here
Location: Bengaluru
Company: NetApp
Job Summary
We at NetApp Inc. are looking for a Technical Support Engineer to...
Microwave Radar Based Smart Water Tap
Water conservation is one of the important factors, as knowingly or unknowingly we waste water every day in some way, like when we forget...
Sony Semiconductor Solutions Announces LYTIA, A New Image Sensor Product Brand...
Sony Semiconductor Solutions Corporation (SSS) announced today the introduction of LYTIA - a new product brand for the image sensors that SSS makes for mobile devices....















