This design is RoHS compliant and features a single isolated output, making it ideal for use in applications requiring electrical isolation and stringent EMI performance.

The Single Output Flyback Converter reference design serves as an essential resource for design engineers seeking to develop efficient and reliable AC-DC power supplies. This design offers a highly versatile solution for applications requiring electrical isolation, precise output voltage regulation, and robust protection features. Ideal for applications such as consumer electronics, industrial control systems, and communication devices, the flyback converter’s topology provides key benefits like compact size, cost-effectiveness, and ease of implementation. This reference design enables engineers to reduce development time, ensure regulatory compliance, and achieve high-performance power conversion for a wide range of electronic products.
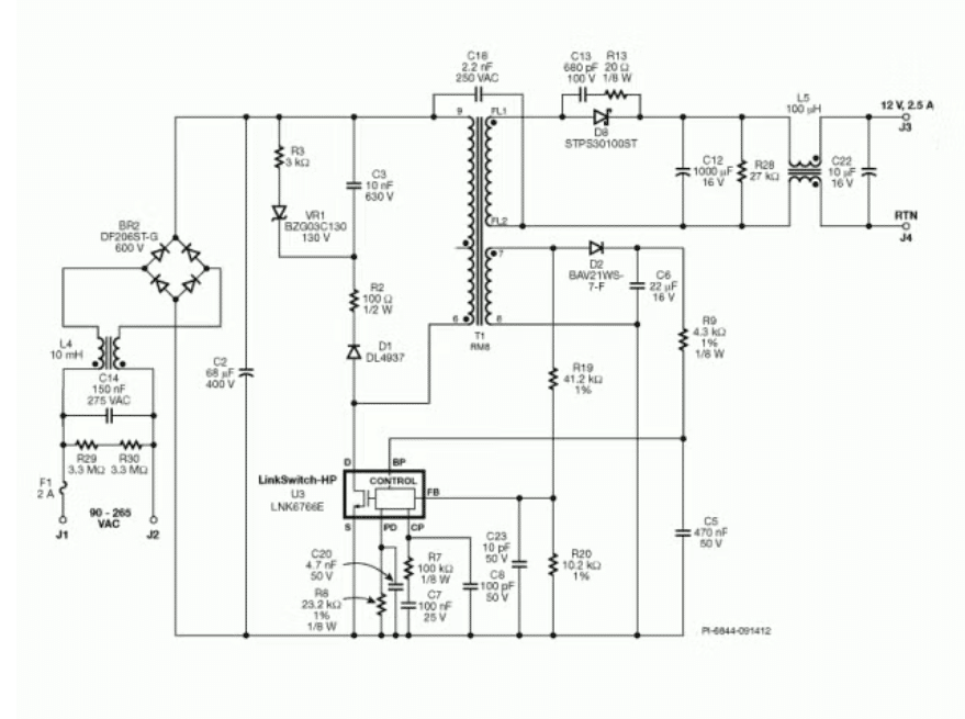
This reference design by Power Integrations specification outlines the design and performance parameters for an AC-DC adapter with a wide input voltage range of 90 VAC to 265 VAC and a regulated output of 12 V at 2.5 A, delivering a maximum output power of 30 W. The design employs a primary-side regulated isolated flyback converter topology, utilizing the LNK6766E from the LinkSwitch™-HP family to achieve high efficiency and low standby power consumption.
The converter operates at a fixed switching frequency of 132 kHz, which allows the use of a compact transformer and minimizes the size of the output filter components. It functions in continuous conduction mode (CCM) at full load, which improves overall efficiency and reduces ripple current through the output capacitor, thereby enhancing the reliability and performance of the power supply.
The design incorporates multimode operation, which intelligently adjusts the switching behavior across varying load conditions to maintain high efficiency throughout the entire load range. At light loads and standby conditions, the power supply achieves ultra-low power consumption, consuming less than 30 mW when operated at 230 VAC input, making it highly suitable for energy-conscious applications.
The power supply is equipped with robust protection features to ensure safe operation under abnormal conditions. These include output overvoltage protection (OVP), over-temperature protection (OTP), brown-in and brown-out protection, input line overvoltage protection, and auto-restart functionality in the event of lost regulation. These comprehensive protections contribute to system reliability and longevity. Electromagnetic compatibility is addressed by meeting the conducted EMI requirements of EN-55022 and CISPR-22 Class B with a 5 dB margin.
The inclusion of power factor correction (PFC) capabilities further supports high-efficiency performance and regulatory compliance in global markets. Developed by the Applications Engineering Department, this design serves as a comprehensive reference for engineers seeking a compact, reliable, and efficient AC-DC power supply solution.
Power Integrations has tested this reference design. It comes with a bill of materials (BOM), schematics, assembly drawing, printed circuit board (PCB) layout, and more. The company’s website has additional data about the reference design. To read more about this reference design, click here.








