Facebook
Linkedin
Telegram
Youtube
Home
EFY PRIME
Projects (DIY)
Latest Projects
Exciting Projects
Miniature Electronics
Beginner Level Projects
Engineering Projects
College Projects
Advanced Projects
Reference Designs
Theme Based Projects
AI & ML Projects
Miniature Electronics
S/W Projects
Live DIY
Community Projects
Submit Your Project
Explore
Tech Trends
Research & Papers
Innovators
Applications
Aerospace & Defence
AgriTECH
Automation
Automotive
Communication & Networks
Consumer
Energy & Power
Industrial
LEDs & Lighting
Medical
Testing Times
Thought Leaders
Basics
Industry Powered Content
What’s New
Research & Papers
Innovative Components
New Products
Events
Components Corner
Press Releases
Jobs & Careers
Jobs
Post a Job
HR Trends
The Gurus
Specials
NEW | EFY Prime
NEW | Magazine Issues
Premium Content
Startups & Innovators
My Story
Innovative Components
Electronics Calculators
Electroons
DIY Webinars
Videos
Explore Components on DigiKey
Shop
Search
LOGIN
REGISTER
Magazine
SHOP
ABOUT US
HELP
FAQ
Explore Components on DigiKey
ElectronicsForU.com
If it\'s electronics, it\'s here.
Search
Filter by Categories
Advanced Projects
Aerospace & Defence
AgriTECH
AI & ML Tech
AI and Machine Learning Projects
Arduino Projects
Automation
Automotive
AVR Projects
Basics
Beginners Projects
Business Leaders
Buyers' Guides
Chip Design & Manufacture Tech
Communication & Networks
Community Projects
Components Corner
Computer Science Projects with Step-by-Step Guides
Consumer
Cool Stuff
Covid-19 Projects
Design Guides
Design in India
Dev-Boards Projects
Digikey
DIY Projects with Video Tutorials
EDA, Software & Tools
Editor's Choice
EFY PRIME: For Premium Subscribers Only
EFY's Panel of Experts
EFY++ | Premium Content
Electronics Calculators
Electronics Manufacturing
Electronics News
Electronics Startups & Innovators
Electroons
Energy & Power
Engineering Projects For You
ESP32 Projects with Code, Circuit, and Step-by-Step Guide
Events
Hardware Guides
HR Trends
Image Processing Projects
Industrial
Industry Powered Content
Inspiring Women
Intermediate Projects
Investors Talk
Jobs
Jobs & Careers
LEDs & Lighting
Magazine Issues
Market Verticals
MATLAB Projects
Medical
MEGA COLLECTION OF ELECTRONICS DIY PROJECTS
Must Reads
My Story
New Products
[email protected]
Newsletter Messages
Not Categorised
Power Electronics Tech
Press Releases
Project Ideas
Raspberry Pi Projects
Reference Designs
Research & Papers
Resources
Slideshows
Software
Software Reviews
Solar
Special
Startup Contests
Super Innovative Projects
TAIYO YUDEN
Tech Contests
Tech Experts
Tech for Security & ID
Tech of Communication
Tech of Displays
Tech of Memory & Storage
Tech of Processors
Tech Of Robotics
Tech of Sensors
Tech Zone
Technology
Technology Focus
Testing Times
The Enablers
The Gurus
The Pitch: India's Electronics Startups and Innovations
Truly Innovative Electronics
Videos
Videos & Slideshows
Webinars
What's New
White Papers
Reset
ElectronicsForU.com
If it\'s electronics, it\'s here.
Search
Filter by Categories
Advanced Projects
Aerospace & Defence
AgriTECH
AI & ML Tech
AI and Machine Learning Projects
Arduino Projects
Automation
Automotive
AVR Projects
Basics
Beginners Projects
Business Leaders
Buyers' Guides
Chip Design & Manufacture Tech
Communication & Networks
Community Projects
Components Corner
Computer Science Projects with Step-by-Step Guides
Consumer
Cool Stuff
Covid-19 Projects
Design Guides
Design in India
Dev-Boards Projects
Digikey
DIY Projects with Video Tutorials
EDA, Software & Tools
Editor's Choice
EFY PRIME: For Premium Subscribers Only
EFY's Panel of Experts
EFY++ | Premium Content
Electronics Calculators
Electronics Manufacturing
Electronics News
Electronics Startups & Innovators
Electroons
Energy & Power
Engineering Projects For You
ESP32 Projects with Code, Circuit, and Step-by-Step Guide
Events
Hardware Guides
HR Trends
Image Processing Projects
Industrial
Industry Powered Content
Inspiring Women
Intermediate Projects
Investors Talk
Jobs
Jobs & Careers
LEDs & Lighting
Magazine Issues
Market Verticals
MATLAB Projects
Medical
MEGA COLLECTION OF ELECTRONICS DIY PROJECTS
Must Reads
My Story
New Products
[email protected]
Newsletter Messages
Not Categorised
Power Electronics Tech
Press Releases
Project Ideas
Raspberry Pi Projects
Reference Designs
Research & Papers
Resources
Slideshows
Software
Software Reviews
Solar
Special
Startup Contests
Super Innovative Projects
TAIYO YUDEN
Tech Contests
Tech Experts
Tech for Security & ID
Tech of Communication
Tech of Displays
Tech of Memory & Storage
Tech of Processors
Tech Of Robotics
Tech of Sensors
Tech Zone
Technology
Technology Focus
Testing Times
The Enablers
The Gurus
The Pitch: India's Electronics Startups and Innovations
Truly Innovative Electronics
Videos
Videos & Slideshows
Webinars
What's New
White Papers
Reset
Sign in
Welcome! Log into your account
your username
your password
Forgot your password? Get help
Create an account
Privacy Policy
Create an account
Welcome! Register for an account
your email
your username
A password will be e-mailed to you.
Privacy Policy
Password recovery
Recover your password
your email
A password will be e-mailed to you.
Wednesday, March 11, 2026
Sign in / Join
LOGIN
REGISTER
Magazine
SHOP
ABOUT US
HELP
FAQ
Explore Components on DigiKey
Facebook
Instagram
Linkedin
Twitter
Youtube
Electronics For You | DIY Projects, News, Jobs and Expert Insights
If it\'s electronics, it\'s here.
Home
EFY PRIME
Projects (DIY)
Latest Projects
Exciting Projects
Miniature Electronics
Beginner Level Projects
Engineering Projects
College Projects
Advanced Projects
Reference Designs
Theme Based Projects
AI & ML Projects
Miniature Electronics
S/W Projects
Live DIY
Community Projects
Submit Your Project
Explore
Tech Trends
Research & Papers
Innovators
Applications
Aerospace & Defence
AgriTECH
Automation
Automotive
Communication & Networks
Consumer
Energy & Power
Industrial
LEDs & Lighting
Medical
Testing Times
Thought Leaders
Basics
Industry Powered Content
What’s New
Research & Papers
Innovative Components
New Products
Events
Components Corner
Press Releases
Jobs & Careers
Jobs
Post a Job
HR Trends
The Gurus
Specials
NEW | EFY Prime
NEW | Magazine Issues
Premium Content
Startups & Innovators
My Story
Innovative Components
Electronics Calculators
Electroons
DIY Webinars
Videos
Explore Components on DigiKey
Shop
Search
Filter by Categories
Advanced Projects
Aerospace & Defence
AgriTECH
AI & ML Tech
AI and Machine Learning Projects
Arduino Projects
Automation
Automotive
AVR Projects
Basics
Beginners Projects
Business Leaders
Buyers' Guides
Chip Design & Manufacture Tech
Communication & Networks
Community Projects
Components Corner
Computer Science Projects with Step-by-Step Guides
Consumer
Cool Stuff
Covid-19 Projects
Design Guides
Design in India
Dev-Boards Projects
Digikey
DIY Projects with Video Tutorials
EDA, Software & Tools
Editor's Choice
EFY PRIME: For Premium Subscribers Only
EFY's Panel of Experts
EFY++ | Premium Content
Electronics Calculators
Electronics Manufacturing
Electronics News
Electronics Startups & Innovators
Electroons
Energy & Power
Engineering Projects For You
ESP32 Projects with Code, Circuit, and Step-by-Step Guide
Events
Hardware Guides
HR Trends
Image Processing Projects
Industrial
Industry Powered Content
Inspiring Women
Intermediate Projects
Investors Talk
Jobs
Jobs & Careers
LEDs & Lighting
Magazine Issues
Market Verticals
MATLAB Projects
Medical
MEGA COLLECTION OF ELECTRONICS DIY PROJECTS
Must Reads
My Story
New Products
[email protected]
Newsletter Messages
Not Categorised
Power Electronics Tech
Press Releases
Project Ideas
Raspberry Pi Projects
Reference Designs
Research & Papers
Resources
Slideshows
Software
Software Reviews
Solar
Special
Startup Contests
Super Innovative Projects
TAIYO YUDEN
Tech Contests
Tech Experts
Tech for Security & ID
Tech of Communication
Tech of Displays
Tech of Memory & Storage
Tech of Processors
Tech Of Robotics
Tech of Sensors
Tech Zone
Technology
Technology Focus
Testing Times
The Enablers
The Gurus
The Pitch: India's Electronics Startups and Innovations
Truly Innovative Electronics
Videos
Videos & Slideshows
Webinars
What's New
White Papers
Reset
ElectronicsForU.com
If it\'s electronics, it\'s here.
Home
EFY PRIME
Projects (DIY)
Latest Projects
Exciting Projects
Miniature Electronics
Beginner Level Projects
Engineering Projects
College Projects
Advanced Projects
Reference Designs
Theme Based Projects
AI & ML Projects
Miniature Electronics
S/W Projects
Live DIY
Community Projects
Submit Your Project
Explore
Tech Trends
Research & Papers
Innovators
Applications
Aerospace & Defence
AgriTECH
Automation
Automotive
Communication & Networks
Consumer
Energy & Power
Industrial
LEDs & Lighting
Medical
Testing Times
Thought Leaders
Basics
Industry Powered Content
What’s New
Research & Papers
Innovative Components
New Products
Events
Components Corner
Press Releases
Jobs & Careers
Jobs
Post a Job
HR Trends
The Gurus
Specials
NEW | EFY Prime
NEW | Magazine Issues
Premium Content
Startups & Innovators
My Story
Innovative Components
Electronics Calculators
Electroons
DIY Webinars
Videos
Explore Components on DigiKey
Shop
Search
Filter by Categories
Advanced Projects
Aerospace & Defence
AgriTECH
AI & ML Tech
AI and Machine Learning Projects
Arduino Projects
Automation
Automotive
AVR Projects
Basics
Beginners Projects
Business Leaders
Buyers' Guides
Chip Design & Manufacture Tech
Communication & Networks
Community Projects
Components Corner
Computer Science Projects with Step-by-Step Guides
Consumer
Cool Stuff
Covid-19 Projects
Design Guides
Design in India
Dev-Boards Projects
Digikey
DIY Projects with Video Tutorials
EDA, Software & Tools
Editor's Choice
EFY PRIME: For Premium Subscribers Only
EFY's Panel of Experts
EFY++ | Premium Content
Electronics Calculators
Electronics Manufacturing
Electronics News
Electronics Startups & Innovators
Electroons
Energy & Power
Engineering Projects For You
ESP32 Projects with Code, Circuit, and Step-by-Step Guide
Events
Hardware Guides
HR Trends
Image Processing Projects
Industrial
Industry Powered Content
Inspiring Women
Intermediate Projects
Investors Talk
Jobs
Jobs & Careers
LEDs & Lighting
Magazine Issues
Market Verticals
MATLAB Projects
Medical
MEGA COLLECTION OF ELECTRONICS DIY PROJECTS
Must Reads
My Story
New Products
[email protected]
Newsletter Messages
Not Categorised
Power Electronics Tech
Press Releases
Project Ideas
Raspberry Pi Projects
Reference Designs
Research & Papers
Resources
Slideshows
Software
Software Reviews
Solar
Special
Startup Contests
Super Innovative Projects
TAIYO YUDEN
Tech Contests
Tech Experts
Tech for Security & ID
Tech of Communication
Tech of Displays
Tech of Memory & Storage
Tech of Processors
Tech Of Robotics
Tech of Sensors
Tech Zone
Technology
Technology Focus
Testing Times
The Enablers
The Gurus
The Pitch: India's Electronics Startups and Innovations
Truly Innovative Electronics
Videos
Videos & Slideshows
Webinars
What's New
White Papers
Reset
Tags
Feb 2018
Feb 2018
Engineering Projects For You
Analysis of Transformer Inrush Current Using Java
Engineering Projects For You
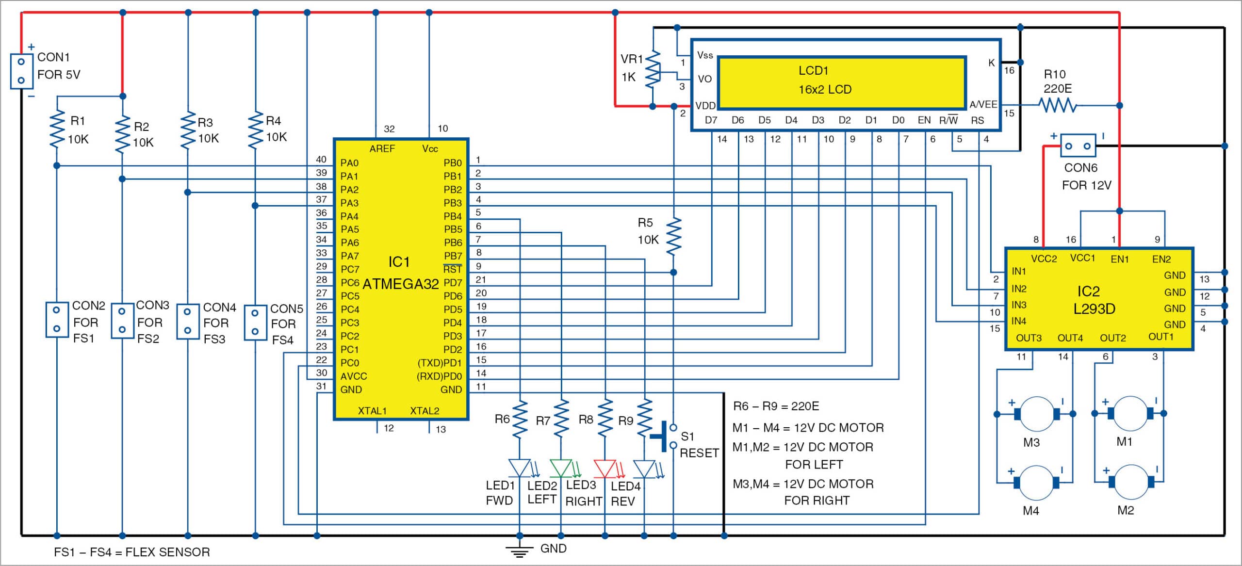
Gesture Controlled Wheelchair Using ATmega32
Engineering Projects For You
HVDC Power Supply Design
Technology Focus
Wireless Technologies for IoT
Technology Focus
Importance of Sensors In the Internet of Things
Software Reviews
MariaDB: A Versatile Database Management System
Engineering Projects For You
Smart Switch Box for Mobile Chargers and Modems
Technology
Special Processors to Drive IoTs and Wearables (Part 2 of 2)
Must Reads
Business Setup For e-Waste Recycling
Resources
Must-Know Database Tools for Developers
1
2
Page 1 of 2
EFY Prime
Smart Speed Monitoring System For Road Safety
Real-Time Face Tracking Using Raspberry Pi 4 Versus Raspberry Pi 5 With Hailo-8L
High-Voltage Capacitor Discharger
Object Counter For Conveyor
Unique DIY Projects
Real-time Web-based Home Automation
World’s Smallest Open-Source LoRa + GPS Module for Wearables and IoT (Only 3cm!)
Smallest Spy Video Streaming Camera
Wirelessly Control Multiple AC Appliances with Web Interface
Electronics News
System Helps Robots Act In Changing Environments
Printed Switches For Brain Inspired Circuits
Slip Sensing Robotic Grippers
Component Search Platform For System Architects
Truly Innovative Electronics
Ultra-Low-Loss Isolated Current Sensor
STMicroelectronics has Introduced First Automotive Microcontroller With built-in AI Acceleration
Samsung Launched 200MP Image Sensor Called ISOCELL HP5
Aeva Introduced 4D LiDAR Sensor for Physical AI Systems
Latest DIY Videos
DIY: Audio Signal–Controlled LED Display Using LM3914
State Reduction In Sequential Circuits
Make Your Own Musical Temperature Alarm
Buck Converter vs Linear Voltage Regulator
Electronics Components
Ultra-Compact RGB LED For Space-Constrained Designs
Compact Varistors For High Surge Protection
Gold Plated Reed Relays For High Voltage Systems
28nm Automotive MCU For Zonal E/E Architectures
Electronics Jobs
JOB: Embedded Electronics Hardware Engineer At Utthunga In Bengaluru
JOB: Engineer Component Verification (Contract) At Infineon Technologies In Bengaluru
JOB: Electronics Engineer – Fresher At Vizion In Dehradun
JOB: Hardware Engineer At Lam Research In Bengaluru
Calculators For Electronics
Circuit Design Calculators for Engineers and Students
Broadside Coupled Stripline Impedance Calculator
Edge Coupled Stripline Impedance Calculator
Asymmetric Stripline Impedance Calculator
×