There are a number of electronics devices that require clear, pulsed power supply. For instance, power consumption of contemporary high-performance processor devices directly depends on the dynamic load of the processor and can vary over a very wide range within a short time.
Apart from this, transceiver equipment consumes the most power in transmitting mode, while in receiving mode there is virtually no load on the equipment. Such dynamics of load puts quite strict requirements in the output power quality of power supplies with step-change nature of output current. Limited voltage feedback speed of power supply units (PSUs) requires capacitive accumulators to be installed between them and the dynamic load. At the same time, you can see an unambiguous dependence between dynamic characteristics of a source and the value of a necessary capacitance accumulator.
It is evident that slow feedback requires a larger capacitance accumulator, which increases the weight and dimensions of the complete power supply system. The miniaturisation trend in electronics makes it necessary to increase the operating speed of power supplies to reduce the size of capacitance accumulator with the same quality of power supply to the load.
Given that, it is reasonable to use PSUs with very fast voltage feedback. This will reduce the number of capacitors required, and in some cases completely eliminate them. This, in turn, will lower the weight and size of the complete power supply system.

Fig. 1: Transient output voltage deviation of two different PSUs. Nominal output voltage 50 VDC. Step change of load 0W-340W-0W. Scale: Vertical 5V/div, horizontal – 10ms/div
The output voltage quality of different PSUs supplying pulse-type load can be evaluated by the waveform chart of transient output voltage deviation at step change of load power. Fig. 1 shows waveform charts of the output power of a conventional PSU (a) compared to a similar PSU with fast voltage feedback and (b) during load power transients within the range from zero to maximum. Output voltage transient deviation of the conventional unit is +5%/–35%, while output voltage transient deviation of the PSU with fast voltage feedback is ±2.4%.
These waveform charts show that in the same conditions at load power fall and surge the transient deviation of the output voltage of different PSUs can vary approximately 15 times. That becomes possible due to very fast voltage feedback of the PSU (in less than 100µs, as shown in Fig. 2).

Fig. 2. Waveform chart of output voltage transition deviation of a PSU with fast voltage feedback during load power surge between 0 and 340W (scale: vertical 0.5V/div, horizontal 100µs/div)
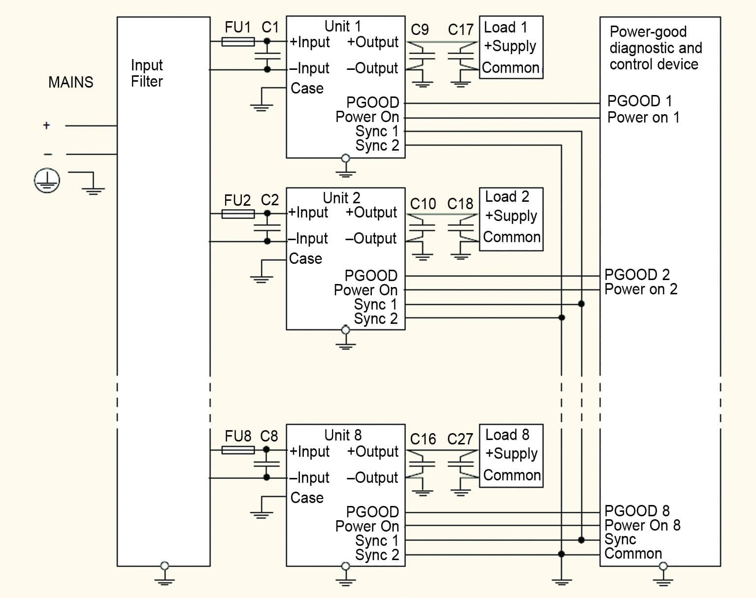
Such PSUs are particularly useful for transceiver units of active phased-array radars (AESA). But their specifications also make them a suitable product for other systems with pulse nature of load. They can be used to build fully decentralised power supply systems. Fig. 3 shows an example of such a system.
Decentralised power supply is a system where each consumer is supplied by its own relatively low-power supply unit, which, in turn, is supplied directly from the on-board mains, power generator or any other input power supply, ensuring the maximum reliability of the system as a whole. If a fuse is put at the input of each unit, in case of failure the broken cell will automatically disconnect from the input mains. Thus failure of one of the cells or its power supply will not affect other consumer operations and will not break the complete system.
Fig. 3. Example of a decentralised power supply system with galvanically connected output voltages
Thanks to such decentralisation, communication electronics becomes invulnerable compared to a centralised system, where reliability depends on one powerful source supplying power to all consumers. Apart from this, centralisation of power supply usually leads to a higher voltage drop at connection circuits.
That is a result of supplying larger power at the input and further remoteness of consumers at the output, which makes it necessary to use wires of larger cross-section. A decentralised power supply system has lower powers transferred inside, while the power supply units can be located close to their consumers. Thus it minimises dynamic instabilities of the voltage.
Another advantage of power supply units for decentralised systems is their unified character, i.e., these can be used in power supply systems of different devices, unlike high-power systems, which are usually unique and can be used for one type of equipment only.
If a decentralised system uses PSUs with output current higher than pulse current of the supplied load, the specific drop of output voltage in the end of the operating pulse will be fully eliminated in this case.
First, this feature eliminates the need to use large capacitance accumulators for power supply to the load during the complete power consumption pulse, retaining the minimum capacitance to ensure the required voltage quality during the transition process in the front and rise of load pulse.
Second, as the mode of nominal power of the converter corresponds to its maximum efficiency, thermal losses of the complete power supply system are minimised.
Third, in case of AESA transceivers, which usually have pulse off-duty factor of less than 5, the comfortable thermal mode of the unit itself is supported.
<
An important advantage of a PSU with fast voltage feedback is galvanically isolated differential synchronisation input. This allows frequency synchronisation of several simultaneously operating units and ensures reliable hardware and software filtration of electromagnetic interference of converters. High conversion frequency not only positively impacts the weight and dimensions of the units but also allows to isolate in different ranges the operating frequency area of the AESA transceiver equipment and units’ switching noise.
When selecting a power supply unit with fast voltage feedback, it is important to consider small dimensions as well as the ability to operate within as wide a temperature range as possible, which sometimes can reach -60 to +125°. Other important functions may include remote on/off, protection against over-current, short-circuit and over-voltage, as well as output voltage fault monitoring. Polymer potting sealing ensures strong protection of the units against damage from harsh environments, vibration, dirt, moisture or salt mist.









