In the pump control unit, the most important part is solar-pump inverter which has the maximum power point tracking (MPPT) function. This inverter adjusts the output frequency automatically to achieve MPPT according to the intensity of the sunlight.
With solar water-pumping system, the electricity bills and operating and maintenance costs can be minimised or eliminated.
Solar water-heating system
Solar water-heating systems are now widely used. Two types of solar water heating systems are popular. Evacuated tube collector (ETC) and flat plate collector (FPC). The collector assembly is installed at an angle facing the south direction. A storage tank is installed at a height behind the collector assembly and it is connected with a connecting pipe to the collector assembly. The water heating system is installed outdoors in an open space and it is connected to a continuous water supply from the overhead tank. Water flows in the collector assembly through tubes, absorbs heat from the solar panel and hot water is produced. This water is stored in the storage tank installed behind the collector assembly. The water thus stored in the tank can remain hot until the morning of next day.

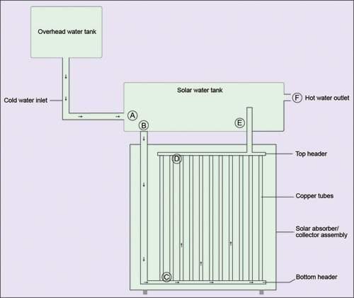
Cold water from the overhead tank by gravity flow enters in the tank through point A (see Fig. 7) and fills it up. The cold water from the solar water tank flows through outlet pipe B in the bottom header pipe of the solar tube collector and goes into all the copper tubes through bottom header C, until all the collector tubes and solar tank at the top are filled with water.
When the sun rises to a level, its energy falls on the absorber fins and collector tubes. Energy from the sun begins to heat the water stored in the collector tubes. As the heated water is lighter than the cold water, it rises through the top header pipe D of the tube collector and flows into the top of the solar tank through pipe E. At the same time, cold water from the solar water tank flows into the tube collector through tube B. The cold water gets heated and rises to the top and this process continues until the temperature of the water in the solar tank and collector tubes equalises. This process is called ‘thermosiphon process.’ The solar water tank is now filled with hot water.

Thermosiphon, also known as thermosyphon, is a process used to exchange heat from liquids without a pump. This system simplifies the heat-transferring process and eliminates the cost. This technique is commercially used in solar water heaters. Whenever the hot water is drawn from the solar tank through outlet F, cold water enters into the solar tank from the overhead tank through inlet pipe A. This lowers the overall temperature in the solar water tank and collector tube. In this condition, the thermosiphon process starts functioning again. At the end of 7-8 hours of operation in the bright sunlight, the average temperature of the water is around 60°C.
To collect maximum energy from the sun, the collector assembly should face south direction with proper angle, depending upon the latitude.
According to Indian conditions, 25 to 30 litres per day (LPD) per person is the average usage of hot water. Accordingly, a solar water heater with 100 to 125 LPD system is suitable for a family of three to four members.
Water heaters are available in 100, 125, 200, 300, 500 and 1000 LPD sizes for domestic use. Solar water heaters are also manufactured for use in large hotels, factories, hospitals, hostels, laundries, canteens, etc. Swimming-pool heating with a capacity of 2000, 3000, 4000, 5000 LPD is also done by solar water heaters.
Modern systems such as solar water pumping, solar cooking, solar air-conditioning and solar street lighting have now become popular in India. At present, the demand for electricity is growing along with increase in power costs. So an alternate and renewable source of power generation has become inevitable to meet the ever-increasing power demand. In this situation, solar power generation has become the need of the day.
The author is an ex-manager (R&D), UMS Radio Factory, Coimbatore, ex-general manager, Sulax Corporation, Bangalore and advisor, Electronics and Controls Corporation, Coimbatore








